Page 37 - 电源电器选型手册 - 人民电器集团有限公司
P. 37
SVC(TND、TNS)系列交流稳压器
主要技术数据
KM a
主要技术指标见表1
表1
M
QF TA
相数 A L1 取样控制
单相 三相 T1
项目 A J1
输入电压范围 160 250V~ 280~430V
输出电压 220V± 2.5% 380 3%±
过电压保护值 246 4V± 426 7V±
b
调压速度 < 秒(输入电压变化1 7.5V 时)
SB
额定频率 50Hz
M
电气强度 冷态下承受50Hz 正弦交流1500V ,历时1min B TA L2 取样控制
负载功率因数 0.8 T2 KM
A J2
效率 大于90%
注: 、各机技术指标参照机壳上所示,单相0.5~3kVA 带有110V ±3% 输出电压; V
1
2、输入电压超出以上范围,及特别技术指标可专门订货订制。
c
输出容量曲线;见图1
M
P /P2 TA
100% L3 取样控制
图(1) 输出容量曲线 C T3 J3
50% Vi输入电压 A
P2输出容量
P额定输出容量
160(280) 198(342) 250(430) Vi
图1 N n
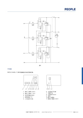
电气原理图 图5
□ 0 5kVA~1 5kVA高精度全自动交流稳压器电气原理图见图2;. . 外形图
□ SVC-5kVA以上电气原理图见图3;
□ 单相稳压器电气原理图见图4; SVC-0.5kVA~1.5kVA高精度全自动交流稳压器:
□ 三相稳压器电气原理图见图5。
220
160 250~ v 160 250~ 220 v ~
~ 220 v
M 110 v ~ ~ ~ v
M
1 2 3 4 5 6 7 8 9 10 11
1. 输出二插座 (220V) 6. 欠压指示灯(黄)
2. 输出二插座(110V) 7. 电源开关
8. 过压指示灯(红)
图2 图3 3. 电压表(输出电压)
220V 9. 接地
4. 熔断器座(FU) 10.输入电源线
取样控制
过压保护 5. 工作指示灯(绿) 11.输出三插座(220V)
输入 110V 输出
图4
025 全国统一客服热线: 400 898 1166 www.chinapeople.com 全国统一客服热线: 400 898 1166 www.chinapeople.com 026

